太阳城官网

自动化生产线
天下效劳热线:

咨询在线客服

太阳城官网(中国)集团有限公司

微信效劳号

太阳城官网(中国)集团有限公司中文网站 太阳城官网(中国)集团有限公司英文网站 太阳城官网(中国)集团有限公司OA 入口
回到首页 产品中心 咨询热线: 点击咨询客服 回到顶部

自动化生产线

自动化生产线也叫自动化流水线...

联系太阳城官网

太阳城官网

地点:郑州市黄杨街41号太阳城官网工业园

热线电话:

移动电话:(同微信)

主梁、端梁(臂架、行车)机械人焊接生产线

主梁、端梁(臂架、行车)机械人焊接生产线

太阳城官网,,,,,自1996年建设以来,,,,,20余年专业设计、研发、生产机械人焊接装备。。。该产品线为非标定制产品,,,,,可凭证客户现实需求设计

效劳热线:

        太阳城官网,,,,,自1996年建设以来,,,,,20余年专业设计、研发、生产机械人焊接装备。。。该产品线为非标定制产品,,,,,可凭证客户现实需求设计


    一、总体功效说明

        主梁机械人焊接生产线主要以桥式起重吨位5~50t,,,,,跨度10.5~28.5m的主梁为生产工具,,,,,生产线最大形状尺寸不凌驾13m(宽) ×270m(长)

    主要包括9个工位:

    1、上盖板与筋板组焊工位

    2、腹板与角钢组焊工位

    3、π形梁组对工位

    4、π形梁内缝焊接工位一

    5、π形梁内缝焊接工位二

    6、π形梁与下盖板组对工位

    7、梁盒外缝焊接工位一  

    8、梁盒外缝焊接工位二

    9、梁盒参数检测工位以及工位之间的物流系统和生产线信息治理系统;;;



       上盖板与筋板料框从料区吊运至上盖板与筋板组焊工位、腹板与角钢料框从料区吊运至腹板与角钢组对工位、下盖板从料区吊运至π形梁与下盖板组对工位有车间起重机(客供)加入外,,,,,其余工位及工位之间的流转无车间起重机加入。。。整体生产线以单件流的形式组织生产,,,,,各工位节奏不大于1小时(以QD20t22.5m主梁为测算及验收依据)。。。



    二、生产线工艺流程

    太阳城官网(中国)集团有限公司

    太阳城官网(中国)集团有限公司



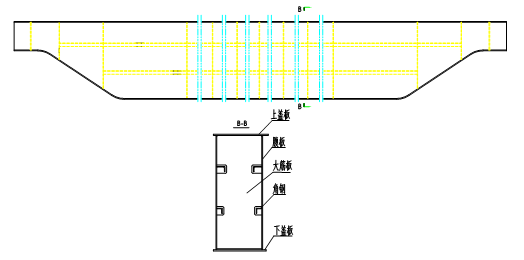
    三、主梁结构形式。。。

    太阳城官网(中国)集团有限公司



       起重机主梁主要由1个上盖板、1个下盖板、2个腹板及若干筋板组成。。。其中大部分主梁腹板上均有避免变形和增大刚性的纵向角钢。。。



    四、生产线备料要领与精度

    1、筋板接纳等离子数控整体下料,,,,,尺寸误差≤1mm,,,,,笔直误差≤H/1000(H为大筋板高度),,,,,平面度≤2mm(平面度超差可以接纳矫平机举行矫正)。。。

    2、腹板使用卷板开卷校平后接纳等离子数控整体下料,,,,,包管统一根主梁两块腹板拱度的一致性。。。

    3、厚度≤16mm的盖板接纳卷板开卷校平后等离子数控整体下料,,,,,厚度>16mm的盖板接纳中厚板先拼长后使用直条机火焰切割下料,,,,,盖板宽度误差≤2mm,,,,,每10000mm长的盖板下料爆发的水平旁弯≤5mm;;;

    4、角钢非整根使用时接纳锯切下料,,,,,整根使用时不再锯切修边。。。

    5、生产线总体设置

    序号

    功效

    1

    上盖板与筋板组焊工位

    2

    腹板与角钢组焊工位

    3

    π形梁组对工位

    4

    π形梁内缝焊接工位一

    5

    π形梁内缝焊接工位二

    6

    π形梁与下盖板组对工位

    7

    梁盒外缝焊接工位一

    8

    梁盒外缝焊接工位二

    9

    梁盒参数检测工位

    10

    物流系统

    11

    生产线信息治理系统


    6、生产线总体手艺指标


    序号

    名    称

    要    求

    1

    产线运送线作业高度

    700-900mm

    2

    单根梁制作周期

    ≤8小时

    3

    单根梁用工数目

    ≤10人

    4

    6轴机械人数目

    21套

    5

    焊枪冷却方法

    水冷

    6

    焊接寻位方法

    接触及电弧传感器

    7

    焊接跟踪方法

    电弧跟踪





    五、产线结构图

    太阳城官网(中国)集团有限公司



    六、工艺形貌

    太阳城官网(中国)集团有限公司



        产线结构长X宽(270米X13米),,,,,产线节奏1h/件,,,,,整线主运送物流接纳动力滚筒线运送方法,,,,,角钢的运送方法接纳双层倍速链运送方法,梁盒外缝焊接二区到检测工位接纳RGV字母车,,,,,整线各工位与各工位之间流转及事情为全自动的,,,,,整线所有装备的结构都在旅行通道的一侧,,,,,旅行通道设置有清静光栅及清静围栏,,,,,整线安排接纳一子型安排,,,,,使整线雅观大方。。。

        主梁全自动焊接生产线包括:上盖板及筋板组焊工位、腹板与角钢拼焊工位、π型梁组对工位、内缝焊接工位一、内缝焊接工位二、梁盒组对工位、外缝焊接工位一、外缝焊接工位二、检测工位、信息化系统、物流系统及智能控制系统组成



    七、产线设计亮点

    1、整体结构雅观大方,,,,,接纳一字型结构,,,,,工位间设置磨练通道,,,,,事情位都集中在线体的一侧,,,,,另一侧设置旅行通道。。。

    2、整线人工加入部位思量人机连系性。。。

    3、梁盒组对工位上加有预拱装置、防海浪变形装置、及筋板扶正装置包管组对乐成率及焊接及格率。。。

    4、内缝焊接工位机械人加上联动外部轴,,,,,使机械人可达无死点。。。

    5、各工位之间为全自动,,,,,无需人工加入,,,,,自动化水平高。。。

    6、具有快速参数化编程系统,,,,,可以快速切换产品。。。

    7、具有生产信息治理系统,,,,,可对数据举行处置惩罚及存储,,,,,留有与MES对接的接口,,,,,为客户后期上MES做准备。。。

    8、整线物流接纳智能RGV子母车及滚筒线举行转运,,,,,效率高,,,,,控制简朴等。。。

    9、角钢运送系统,,,,,接纳双层倍速链的方法,,,,,可以实现角钢工装板上下无限循环作业,,,,,镌汰人工上件次数,,,,,节约人力,,,,,自动化水平高。。。

    10、产线所有上料位置都集中在上盖板与筋板拼焊位置,,,,,便于人工集中操作,,,,,提高产线整体效率。。。


    八、使用情形:

    1、情形温度:-15~+45℃,,,,,最大日温差:25℃

    2、年平均相对湿度:~59%,,,,,最高月平均相对湿度:95%(+25℃)

    3、电源:切合中国制式,,,,,供电电压:380V±15%,,,,,供电频率:

    50Hz±2%

    4、压缩空气:自备空压机自产压缩空气,,,,,0.6±0.1MPa

  • *
  • *
  • *

联系太阳城官网



电话:

手机:(同微信)

网站备案号: 豫ICP备18029470号-1

邮箱:kehui@m.nxlnrtgy.com

地点:郑州市黄杨街41号太阳城官网工业园

二维码



太阳城官网(中国)集团有限公司

关注微信公众号

【网站地图】【sitemap】